Secure Checkout

Butterfly Valves


Industry
PART#
Type Nom
Imperial
Nom
Metric/ISO
Flange
(A)
Material
Grade
EN/ASTM
Std
Tube
OD (D)
Tube
ID (E)
Handle
Length (P)
Length
(C)
Height
Handle(N)
Valve Body
Size(F)
LIST
PRICE
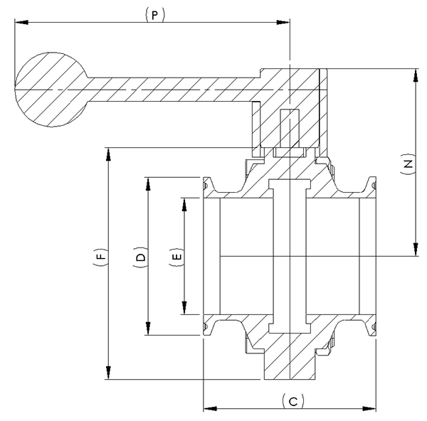
Butterfly Valve - Ferrule Connection 1 1/2" 38.1(metric) 1.99 (50.5mm) 316L 14,404/≈ SS2348 1.5" (38.1mm) 1.37" (34.8mm) 5" (127mm) 2.76" (70mm) 1.69" (43mm) 3.39" (86mm)
dimensional image
View Page
Hygienic (1 1/2") | Butterfly Valve - Ferrule Connection | 316L GTIN:   840384335905
Dimensional Image Key:
  • • Length (C) mm:  70
  • • Flange (A) mm:  50.5
  • • Flange (A) in:  1.99
  • • Length (C) in:  2.76"
  • • Tube OD (D) mm:  38.1
  • • Tube OD (D) in:  1.5"
  • • Tube ID (E) mm:  34.8
  • • Tube ID (E) in:  1.37"
  • • Handle Length (P) mm:  127
  • • Handle Length (P) in:  5"
  • • Height Handle (N) mm:  43
  • • Height Handle (N) in:  1.69"
  • • Valve Body Size (F) mm:  86
  • • Valve Body Size (F) in:  3.39"
Butterfly Valve - Weld Connection 1 1/2" 38.1(metric) 316L 14,404/≈ SS2348 1.5" (38.1mm) 1.37" (34.8mm) 5" (127mm) 1.97" (50mm) 3.03" (77mm) 3.39" (86mm)
dimensional image
View Page
Hygienic (1 1/2") | Butterfly Valve - Weld Connection | 316L GTIN:   840384335820
Dimensional Image Key:
  • • Length (C) mm:  50
  • • Length (C) in:  1.97"
  • • Tube OD (D) mm:  38.1
  • • Tube OD (D) in:  1.5"
  • • Tube ID (E) mm:  34.8
  • • Tube ID (E) in:  1.37"
  • • Handle Length (P) mm:  127
  • • Handle Length (P) in:  5"
  • • Height Handle (N) mm:  77
  • • Height Handle (N) in:  3.03"
  • • Valve Body Size (F) mm:  86
  • • Valve Body Size (F) in:  3.39"
Butterfly Valve - Ferrule Connection 1" 25.4(metric) 1.99 (50.5mm) 316L 14,404/≈ SS2348 1" (25.4mm) 0.87" (22.1mm) 5" (127mm) 2.6" (66mm) 1.54" (39mm) 3.07" (78mm)
dimensional image
View Page
Hygienic (1") | Butterfly Valve - Ferrule Connection | 316L GTIN:   840384335899
Dimensional Image Key:
  • • Length (C) mm:  66
  • • Flange (A) mm:  50.5
  • • Flange (A) in:  1.99
  • • Length (C) in:  2.6"
  • • Tube OD (D) mm:  25.4
  • • Tube OD (D) in:  1"
  • • Tube ID (E) mm:  22.1
  • • Tube ID (E) in:  0.87"
  • • Handle Length (P) mm:  127
  • • Handle Length (P) in:  5"
  • • Height Handle (N) mm:  39
  • • Height Handle (N) in:  1.54"
  • • Valve Body Size (F) mm:  78
  • • Valve Body Size (F) in:  3.07"
Butterfly Valve - Weld Connection 1" 25.4(metric) 316L 14,404/≈ SS2348 1" (25.4mm) 0.87" (22.1mm) 5" (127mm) 1.97" (50mm) 2.87" (73mm) 3.07" (78mm)
dimensional image
View Page
Hygienic (1") | Butterfly Valve - Weld Connection | 316L GTIN:   840384335813
Dimensional Image Key:
  • • Length (C) mm:  50
  • • Length (C) in:  1.97"
  • • Tube OD (D) mm:  25.4
  • • Tube OD (D) in:  1"
  • • Tube ID (E) mm:  22.1
  • • Tube ID (E) in:  0.87"
  • • Handle Length (P) mm:  127
  • • Handle Length (P) in:  5"
  • • Height Handle (N) mm:  73
  • • Height Handle (N) in:  2.87"
  • • Valve Body Size (F) mm:  78
  • • Valve Body Size (F) in:  3.07"
Butterfly Valve - Ferrule Connection 1/2" 12.7(metric) 1 (25.4mm) 316L 14,404/≈ SS2348 0.5" (12.7mm) 0.37" (9.4mm) 5" (127mm) 2.6" (66mm) 1.54" (39mm) 3.07" (78mm)
dimensional image
View Page
Hygienic (1/2") | Butterfly Valve - Ferrule Connection | 316L GTIN:   840384335929
Dimensional Image Key:
  • • Length (C) mm:  66
  • • Flange (A) mm:  25.4
  • • Flange (A) in:  1
  • • Length (C) in:  2.6"
  • • Tube OD (D) mm:  12.7
  • • Tube OD (D) in:  0.5"
  • • Tube ID (E) mm:  9.4
  • • Tube ID (E) in:  0.37"
  • • Handle Length (P) mm:  127
  • • Handle Length (P) in:  5"
  • • Height Handle (N) mm:  39
  • • Height Handle (N) in:  1.54"
  • • Valve Body Size (F) mm:  78
  • • Valve Body Size (F) in:  3.07"
Butterfly Valve - Weld Connection 1/2" 12.7(metric) 316L 14,404/≈ SS2348 0.5" (12.7mm) 0.37" (9.4mm) 5" (127mm) 1.97" (50mm) 2.87" (73mm) 3.07" (78mm)
dimensional image
View Page
Hygienic (1/2") | Butterfly Valve - Weld Connection | 316L GTIN:   840384335844
Dimensional Image Key:
  • • Length (C) mm:  50
  • • Length (C) in:  1.97"
  • • Tube OD (D) mm:  12.7
  • • Tube OD (D) in:  0.5"
  • • Tube ID (E) mm:  9.4
  • • Tube ID (E) in:  0.37"
  • • Handle Length (P) mm:  127
  • • Handle Length (P) in:  5"
  • • Height Handle (N) mm:  73
  • • Height Handle (N) in:  2.87"
  • • Valve Body Size (F) mm:  78
  • • Valve Body Size (F) in:  3.07"
Butterfly Valve - Ferrule Connection 2 1/2" 63.5(metric) 3.05 (77.5mm) 316L 14,404/≈ SS2348 2.5" (63.5mm) 2.37" (60.2mm) 5.31" (135mm) 3.15" (80mm) 2.26" (57.5mm) 4.53" (115mm)
dimensional image
View Page
Hygienic (2 1/2") | Butterfly Valve - Ferrule Connection | 316L GTIN:   840384335943
Dimensional Image Key:
  • • Length (C) mm:  80
  • • Flange (A) mm:  77.5
  • • Flange (A) in:  3.05
  • • Length (C) in:  3.15"
  • • Tube OD (D) mm:  63.5
  • • Tube OD (D) in:  2.5"
  • • Tube ID (E) mm:  60.2
  • • Tube ID (E) in:  2.37"
  • • Handle Length (P) mm:  135
  • • Handle Length (P) in:  5.31"
  • • Height Handle (N) mm:  57.5
  • • Height Handle (N) in:  2.26"
  • • Valve Body Size (F) mm:  115
  • • Valve Body Size (F) in:  4.53"
Butterfly Valve - Weld Connection 2 1/2" 63.5(metric) 316L 14,404/≈ SS2348 2.5" (63.5mm) 2.37" (60.2mm) 5.31" (135mm) 2.2" (56mm) 3.64" (92.5mm) 4.53" (115mm)
dimensional image
View Page
Hygienic (2 1/2") | Butterfly Valve - Weld Connection | 316L GTIN:   840384335868
Dimensional Image Key:
  • • Length (C) mm:  56
  • • Length (C) in:  2.2"
  • • Tube OD (D) mm:  63.5
  • • Tube OD (D) in:  2.5"
  • • Tube ID (E) mm:  60.2
  • • Tube ID (E) in:  2.37"
  • • Handle Length (P) mm:  135
  • • Handle Length (P) in:  5.31"
  • • Height Handle (N) mm:  92.5
  • • Height Handle (N) in:  3.64"
  • • Valve Body Size (F) mm:  115
  • • Valve Body Size (F) in:  4.53"
Butterfly Valve - Ferrule Connection 2" 50.8(metric) 2.52 (64mm) 316L 14,404/≈ SS2348 2" (50.8mm) 1.87" (47.5mm) 5.31" (135mm) 2.99" (76mm) 1.97" (50mm) 3.94" (100mm)
dimensional image
View Page
Hygienic (2") | Butterfly Valve - Ferrule Connection | 316L GTIN:   840384335912
Dimensional Image Key:
  • • Length (C) mm:  76
  • • Flange (A) mm:  64
  • • Flange (A) in:  2.52
  • • Length (C) in:  2.99"
  • • Tube OD (D) mm:  50.8
  • • Tube OD (D) in:  2"
  • • Tube ID (E) mm:  47.5
  • • Tube ID (E) in:  1.87"
  • • Handle Length (P) mm:  135
  • • Handle Length (P) in:  5.31"
  • • Height Handle (N) mm:  50
  • • Height Handle (N) in:  1.97"
  • • Valve Body Size (F) mm:  100
  • • Valve Body Size (F) in:  3.94"
Butterfly Valve - Weld Connection 2" 50.8(metric) 316L 14,404/≈ SS2348 2" (50.8mm) 1.87" (47.5mm) 5.31" (135mm) 2.05" (52mm) 3.35" (85mm) 3.94" (100mm)
dimensional image
View Page
Hygienic (2") | Butterfly Valve - Weld Connection | 316L GTIN:   840384335837
Dimensional Image Key:
  • • Length (C) mm:  52
  • • Length (C) in:  2.05"
  • • Tube OD (D) mm:  50.8
  • • Tube OD (D) in:  2"
  • • Tube ID (E) mm:  47.5
  • • Tube ID (E) in:  1.87"
  • • Handle Length (P) mm:  135
  • • Handle Length (P) in:  5.31"
  • • Height Handle (N) mm:  85
  • • Height Handle (N) in:  3.35"
  • • Valve Body Size (F) mm:  100
  • • Valve Body Size (F) in:  3.94"
Butterfly Valve - Ferrule Connection 3" 76.2(metric) 3.58 (91mm) 316L 14,404/≈ SS2348 3" (76.2mm) 2.87" (72.9mm) 5.31" (135mm) 3.31" (84mm) 2.52" (64mm) 5.04" (128mm)
dimensional image
View Page
Hygienic (3") | Butterfly Valve - Ferrule Connection | 316L GTIN:   840384335950
Dimensional Image Key:
  • • Length (C) mm:  84
  • • Flange (A) mm:  91
  • • Flange (A) in:  3.58
  • • Length (C) in:  3.31"
  • • Tube OD (D) mm:  76.2
  • • Tube OD (D) in:  3"
  • • Tube ID (E) mm:  72.9
  • • Tube ID (E) in:  2.87"
  • • Handle Length (P) mm:  135
  • • Handle Length (P) in:  5.31"
  • • Height Handle (N) mm:  64
  • • Height Handle (N) in:  2.52"
  • • Valve Body Size (F) mm:  128
  • • Valve Body Size (F) in:  5.04"
Butterfly Valve - Weld Connection 3" 76.2(metric) 316L 14,404/≈ SS2348 3" (76.2mm) 2.87" (72.9mm) 5.31" (135mm) 2.2" (56mm) 3.9" (99mm) 5.04" (128mm)
dimensional image
View Page
Hygienic (3") | Butterfly Valve - Weld Connection | 316L GTIN:   840384335875
Dimensional Image Key:
  • • Length (C) mm:  56
  • • Length (C) in:  2.2"
  • • Tube OD (D) mm:  76.2
  • • Tube OD (D) in:  3"
  • • Tube ID (E) mm:  72.9
  • • Tube ID (E) in:  2.87"
  • • Handle Length (P) mm:  135
  • • Handle Length (P) in:  5.31"
  • • Height Handle (N) mm:  99
  • • Height Handle (N) in:  3.9"
  • • Valve Body Size (F) mm:  128
  • • Valve Body Size (F) in:  5.04"